PH6203-2A2B-NP
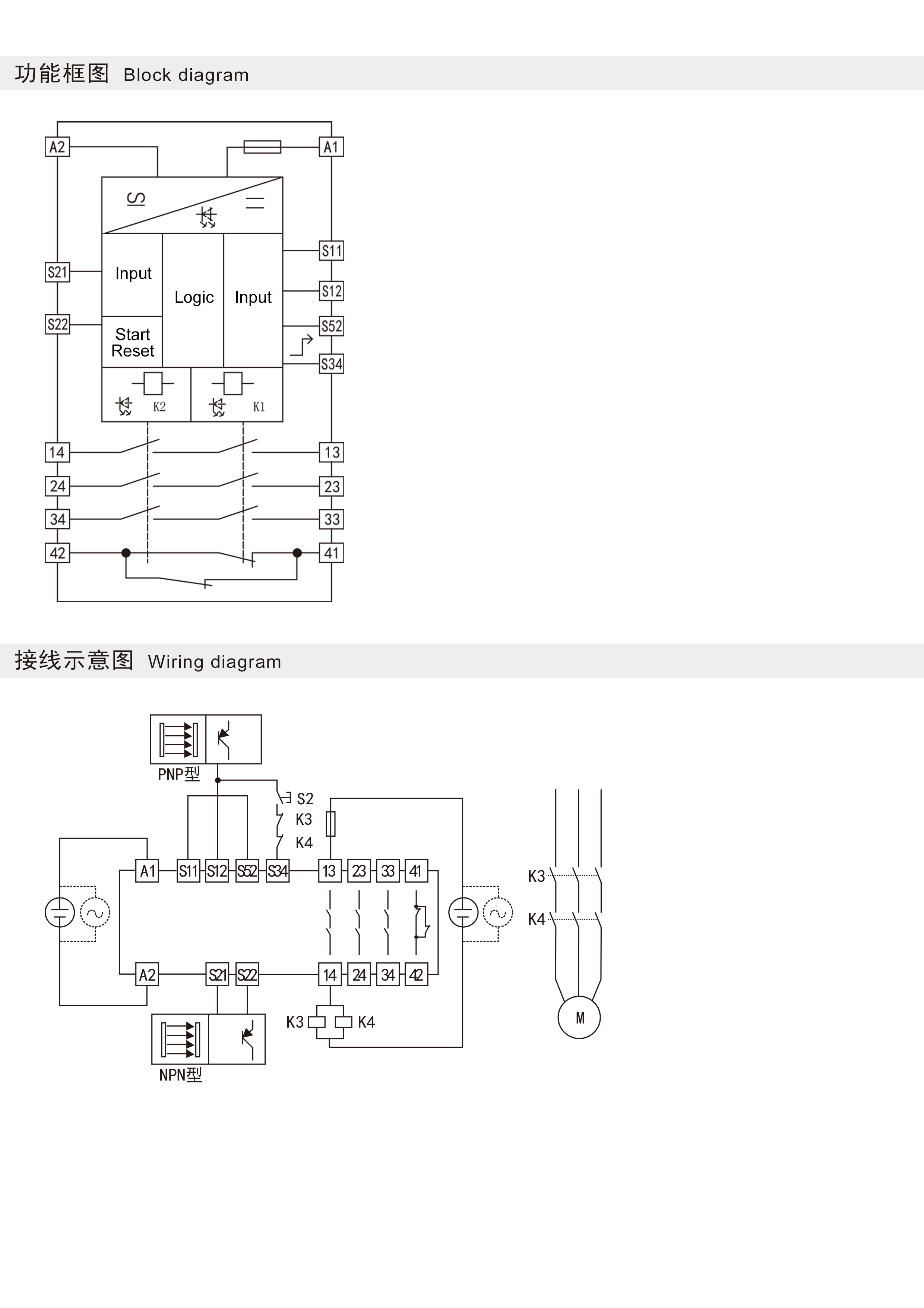
PH6203-2A2B-NP是一款安全继电器控制模块,适用于NPN、PNP型安全光幕输入,具有3路常开(NO)安全输出触点和1路常闭(NC)辅助输出触点的安全继电器。它支持双通道操作,可选择手动或自动复位。
PH6203-2A2B-NP
NPN、PNP型安全光幕输入
产品特性
支持NPN、PNP型安全光幕
支持NPN、PNP型安全光幕
支持双通道输入
支持自动复位和手动复位

| 供电电压 | 24V DC |
|---|---|
| 电压容差 | 0.85~1.1 |
| 电流损耗 | ≤90mA(24V DC) |
| 输入电流 | ≤50mA (24V DC) |
| 导线电阻 | ≤15Ω |
| 输入设备 | NPN、PNP型安全光幕 |
| 触点数量 | 2NO+2NC |
| 触点材料 | AgSnO2+0.2µm Au |
| 触点熔丝保护 |
10A gL/gG NEOZED(常开触点) 6A gL/gG NEOZED(常闭触点) |
| 切换容量(EN60947-5-1) | AC-15,5A/230V;DC-13,5A/24V |
| 触点机械寿命 | 10^7次以上 |
| 吸合缓冲时间 |
自动复位: ≤300ms 手动复位: ≤150ms |
| 释放缓冲时间 |
急停操作 : ≤30ms
电源失效 : ≤100ms
|
| 恢复时间 |
急停操作: ≤30ms
电源失效 : ≤100ms
|
| 电源短时中断 | 20ms |
| 电磁兼容 | EN 60947, EN 61000-6-2, EN 61000-6-4 |
| 振动频率 | 10Hz~55Hz |
| 振动幅度 | 0.35mm |
| 使用温度 | - 20℃~+60℃ |
| 储存温度 | -40℃~+85℃ |
| 相对湿度 | 10%~90% |
| 海拔高度 | ≤2000m |
| 过压等级 | Ⅲ |
| 污染等级 | 2 |
| 额定绝缘电压 | 250V AC |
| 额定冲击电压 | 6000V (1.2/50μs) |
| 绝缘强度 | 1500V AC, 1min |
| 电气间隙和爬电距离 | EN 60947-1 |
| 安全完整性等级 | SIL3 |
| 性能等级 | 符合标准 EN ISO13849, PLe |
| 安全类别 | 符合标准 EN ISO13849, Cat.4 |






.png)
.png)
.png)



.png)


