安全继电器(SIS系统)

您的位置: 首页 > 安全继电器 > 安全继电器(SIS系统)

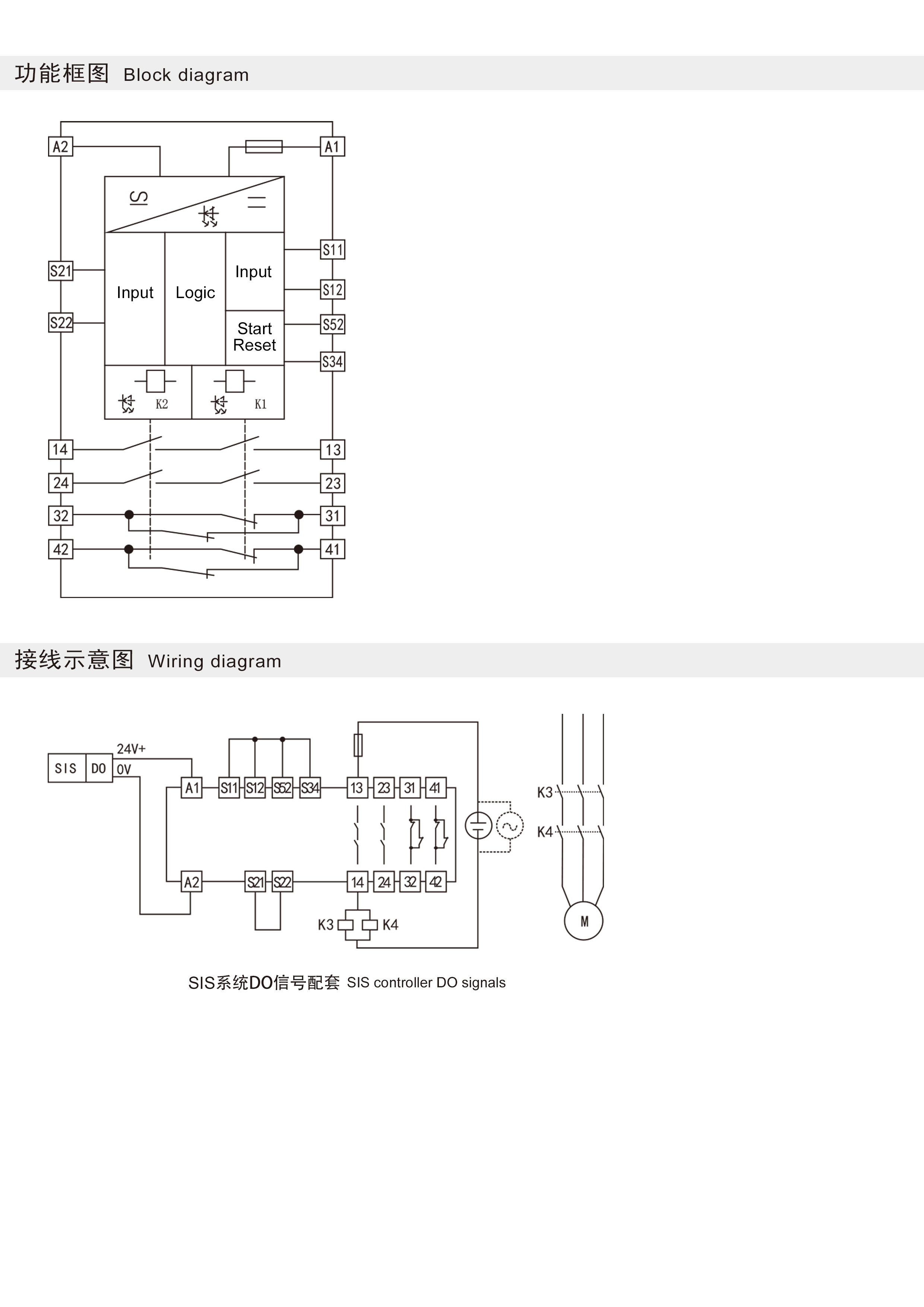
PH6005-1AR1B-F

PH6005-1AR1B-F是一款安全继电器控制模块,适用于安全开关、SIS系统中DO信号隔离转换,具有1路常开(NO)触点、1路常闭(NC)触点,预留端子方便实现快速的离线Proof Test测试,面板上的熔丝仓预置5A熔丝保护,用户可快速地更换损坏的熔丝,内部电路采用Fail-safe技术,3重冗余技术和触点熔接保护技术。

咨询热线 400-711-6763

咨询热线 400-711-6763

留言咨询
PH6005-1AR1B-F
适用于SIS系统中DO信号配套
 
产品特性
三重冗余 
可更换熔丝设计(型号中F表示)
带Proof Test测试端(型号中R表示)
产品特性 多触点输出
低启动冲击电流
电源特性 供电电压:24VDC/AC
电压容差:0.85-1.1
电流损耗:≤90mA(24VDC)
                 ≤180mA(24VDC)
 
输入特性 输入电流:≤50mA (24V DC)
导线电阻:≤15Ω
输入设备:SIS系统DO信号配套
 
输出特性 触点数量:2NO+2NC
触点材料:AgsnO₂+0.2μm Au
触点熔丝保护:10A gL/gG NEOZED(NO):
切换容量:EN60947-5-1:AC-15.5A/230V:DC-13.5A/24V
时间特性 吸合缓冲时间:≤300ms
释放缓冲时间:≤30ms
恢复时间:≤100ms
电源短时中断:20ms
环境特性 电磁兼容:EN60947,EN61000-6-2,EN61000-6-4
振动频率:10Hz~55Hz
振动幅度:0.35mm 
使用温度:-20℃~+60℃
储存温度:-40℃~+80℃
相对湿度:10%~90%
绝缘特性 过压等级:Ⅲ
污染等级:2
额定绝缘电压:250VAC
额定冲击电压:6000V(1.2/50us)
绝缘强度:1500VAC,1min
电气间隙和爬电距离:EN 60947-1
认证 安全完整性等级:SIL3
性能等级:PLe
安全类别:Cat.4
功能安全参数 硬件故障裕度:1
危险失效概率:<3.09E(-10)
平均危险失效时间:188years
安全失效分数:>99%

—— 留言咨询 ——