双手开关

您的位置: 首页 > 安全继电器 > 安全继电器(机械系统) > 双手开关

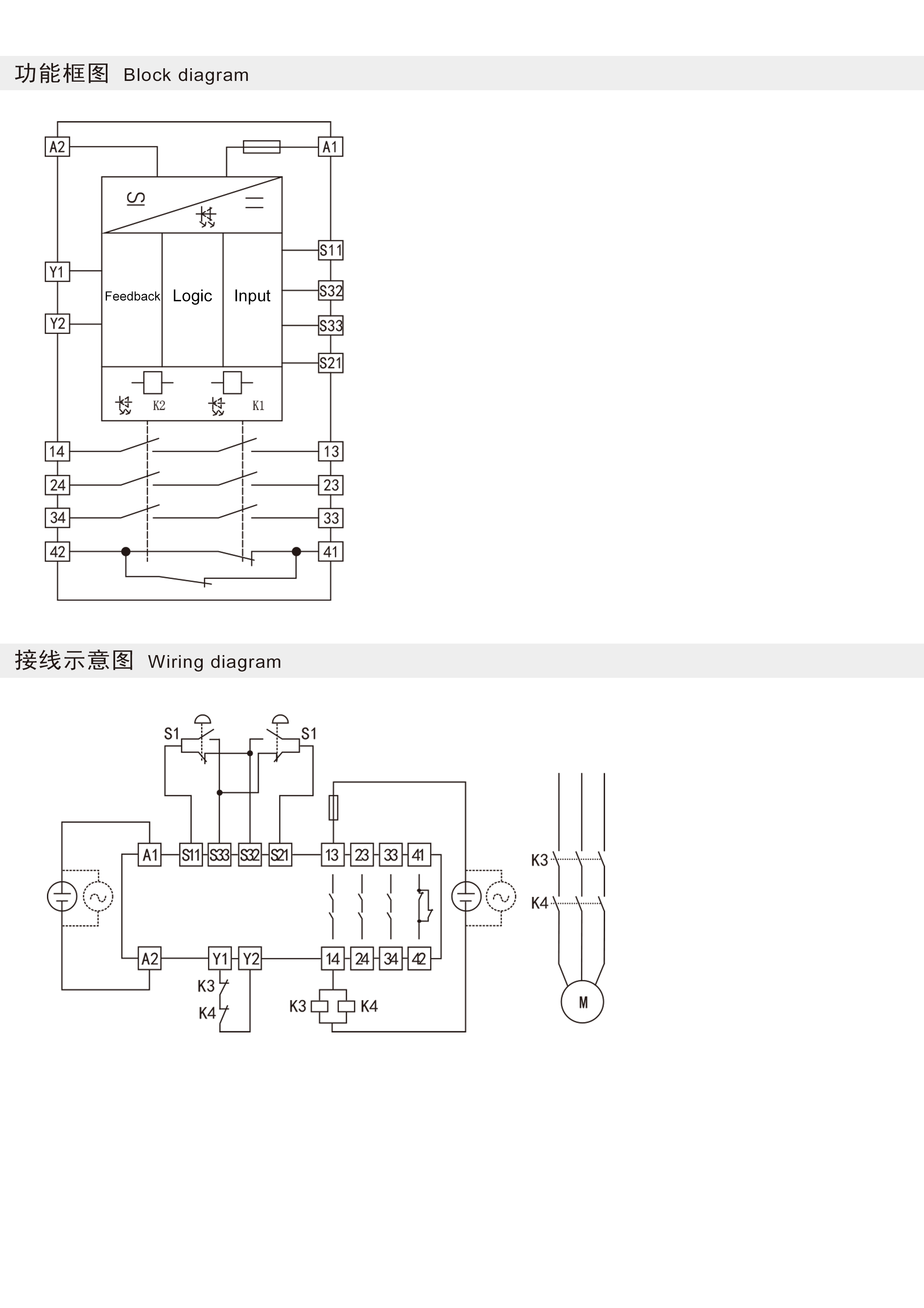
PH6301-3A1B

PH6301-3A1B是一款安全继电器控制模块,适用于双手按钮输入,具有3路常开(NO)安全输出触点和1路常闭(NC)辅助输出触点的安全继电器。它具有双通道输入模式,自动复位,并具有不超过0.5s的同步检测功能。

咨询热线 400-711-6763

咨询热线 400-711-6763

留言咨询
PH6301-3A1B
双手按钮输入
 
产品特性
双通道操作
符合EN 574 Type ⅢC要求
产品特性 双通道操作
符合EN 574 Type IIIC要求
电源特性 供电电压:24V DC
电压容差:0.85-1.1
交流频率:50Hz~60Hz
电流损耗:≤60mA(24VDC); ≤140mA(24VDC)
输入特性 输入电流:≤50mA (24V DC)
导线电阻:≤15Ω
输入设备:双手按钮
输出特性 触点数量:3NO+1NC
触点材料:AgsnO₂+0.2μm Au
触点熔丝保护:10A gL/gG NEOZED(NO):(常开触点)
                        6A gL/gG NEOZED(NC):(常闭触点)
切换容量:AC-15. 5A/230V:DC-13. 5A/24V
触点机械寿命:10^7次以上
时间特性 吸合缓冲时间:≤30ms
释放缓冲时间:≤15ms
同步时间:≤500ms
恢复时间:≤250ms
电源短时中断:20ms
绝缘特性 过压等级:Ⅲ
污染等级:2
额定绝缘电压:250VAC
额定冲击电压:6000V(1.2/50us)
绝缘强度:1500VAC,1min
电气间隙和爬电距离:EN 60947-1
环境特性 电磁兼容:EN60947,EN61000-6-2,EN61000-6-4
振动频率:10Hz~55Hz
振动幅度:0.35mm 
使用温度:-20℃~+60℃
储存温度:-40℃~+80℃
相对湿度:10%~90%
海拔高度:≤2000m
安全认证 安全完整性等级:SIL3
性能等级:符合标准EN IS 013849, PLe 
安全类别:符合标准EN IS 013849, Cat.4

—— 留言咨询 ——