安全光幕

您的位置: 首页 > 安全继电器 > 安全继电器(机械系统) > 安全光幕

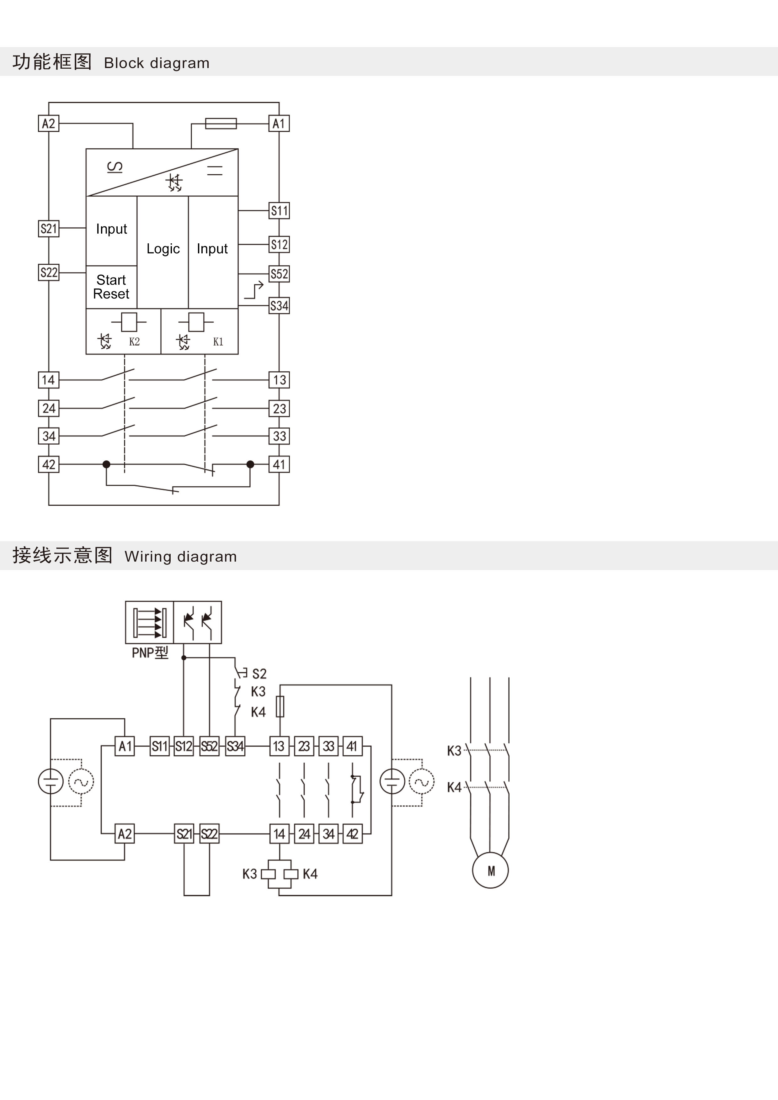
PH6201-3A1B-P

PH6201-3A1B-P是一款安全继电器控制模块,适用于PNP型安全光幕输入,具有3路常开(NO)安全输出触点和1路常闭(NC)辅助输出触点的安全继电器。它支持单、双通道操作,手动或自动复位,并具有通道间短路监控功能。

咨询热线 400-711-6763

咨询热线 400-711-6763

留言咨询
PH6201-3A1B-P
PNP型安全光幕输入
 
产品特性
支持PNP型安全光幕
支持双通道输入
支持自动复位和手动复位
产品特性 支持单、双通道操作
支持受监控的手动复位
通道间短路监控
电源特性 供电电压:24V DC
电压容差:0.85-1.1
电流损耗:≤90mA(24VDC)
输入特性 输入电流:≤50mA (24V DC)
导线电阻:≤15Ω
输入设备:PNP型安全光幕
输出特性 触点数量:3NO+1NC
触点材料:AgsnO₂+0.2μm Au
触点熔丝保护:10A gL/gG NEOZED(NO):(常开触点)
                        6A gL/gG NEOZED(NC):(常闭触点)
切换容量:AC-15. 5A/230V:DC-13. 5A/24V
触点机械寿命:10^7次以上
时间特性 吸合缓冲时间:自动复位≤300ms;手动复位≤150ms
释放缓冲时间:急停操作≤30ms,电源失效≤100ms
恢复时间:急停操作≤30ms,电源失效≤100ms
电源短时中断:20ms
环境特性 电磁兼容:EN60947,EN61000-6-2,EN61000-6-4
振动频率:10Hz~55Hz
振动幅度:0.35mm 
使用温度:-20℃~+60℃
储存温度:-40℃~+80℃
相对湿度:10%~90%
海拔高度:≤2000m
绝缘特性 过压等级:Ⅲ
污染等级:2
额定绝缘电压:250VAC
额定冲击电压:6000V(1.2/50us)
绝缘强度:1500VAC,1min
电气间隙和爬电距离:EN 60947-1
安全认证 安全完整性等级:SIL3
性能等级:符合标准EN IS 013849, PLe 
安全类别:符合标准EN IS 013849, Cat.4

—— 留言咨询 ——